● 用途
本装置用于船舶厕所下水道粪便污水的处理,达到MEPC159(55)决议的排放标准,也适用机关、学校、宾馆、住宅及厂矿企业的生活污水处理。
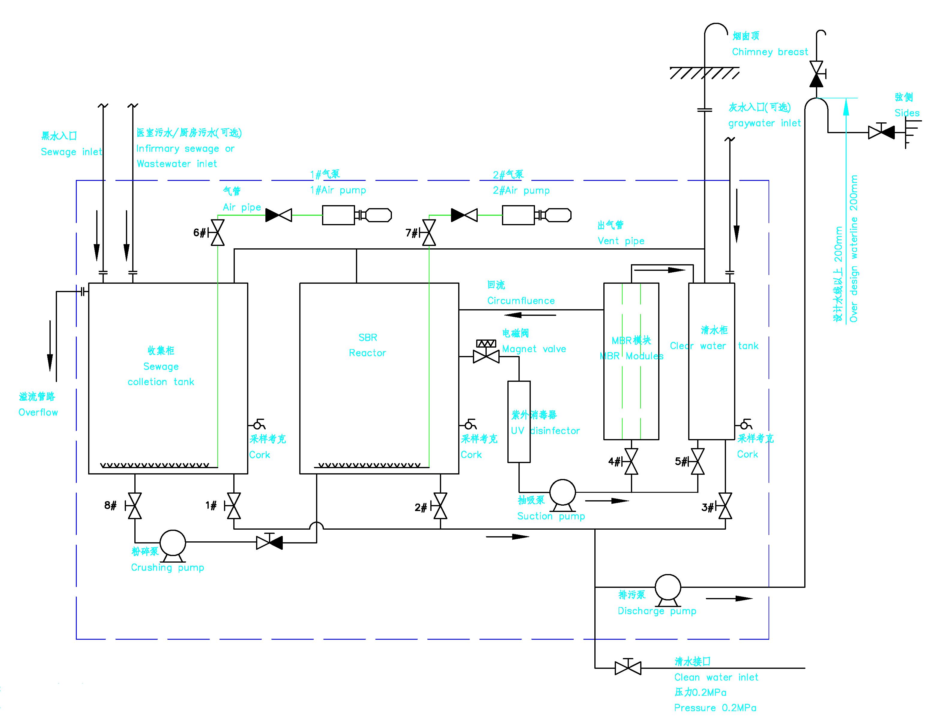
本装置采用序批法生物降解和膜微滤消解有机污染物质,本装置有整体式和散装式两种,尺寸紧凑,安装方便。
● 原理概述
采用SBR(Sequencing Batch Reactor)序批法生物降解、膜微滤和紫外线消毒杀菌相结合的方法处理来自船舶厕所、厨房、浴室的生活污水处理。经该装置处理后的排放水达到国际海事组织(IMO)修改后的国际船舶污水排放公约(MAPOL73/78)的排放标准,符合MEPC159(55)决议规定要求。具有生化处理效果彻底,抗冲击负荷能力强,结构紧凑,无二次污染等特点。
●排放水质
耐热大肠杆菌群(M.P.N):≤ 100个/100Ml
总悬浮物(TSS):≤ 35 mg/L
生物耗氧量(BOD5):≤25mg/L
化学耗氧量(COD):≤125mg/L
酸碱度(PH值):6~8.5
●主要性能参数
型号 Type | 适用人数 Users | 处理量 Water Amount | 有机负荷 Organic Load | 电制 Power Supply | 总功率 Power | 外形尺寸Outline Dimension | 干重 N.W. (kg) | ||
L(mm) | B(mm) | H(mm) | |||||||
CSWB-10 | 10 | 800L/D | 0.24kg/d BOD | AC3P/380V/50Hz AC3P/440V/60Hz | 3.2 | 1400 | 1100 | 1600 | 780 |
CSWB-20 | 20 | 1600L/D | 0.48kg/d BOD | 3.2 | 1400 | 1300 | 1800 | 850 | |
CSWB-30 | 30 | 2400L/D | 0.72kg/d BOD | 3.5 | 1700 | 1400 | 1800 | 1100 | |
CSWB-40 | 40 | 3200L/D | 0.96kg/d BOD | 3.5 | 2100 | 1400 | 1800 | 1380 | |
CSWB-50 | 50 | 4000L/D | 1.44kg/d BOD | 4 | 2500 | 1500 | 1800 | 1500 | |
CSWB-80 | 80 | 6400L/D | 1.92kg/d BOD | 4 | 2500 | 1700 | 1850 | 1750 | |
CSWB-100 | 100 | 80000L/D | 2.4kg/d BOD | 5 | 3500 | 1700 | 2000 | 1900 | |
CSWB-120 | 120 | 96000L/D | 2.84kg/d BOD | 5 | 3850 | 1700 | 2000 | 2050 | |
CSWB-150 | 150 | 12000L/D | 3.6kg/d BOD | 5.4 | 4200 | 1800 | 2100 | 2300 | |
CSWB-200 | 200 | 16000L/D | 4.8kg/d BOD | 5.4 | 5000 | 2000 | 2100 | 2550 | |
●系统原理图









