PRODUCT CENTER产品中心
产品描述
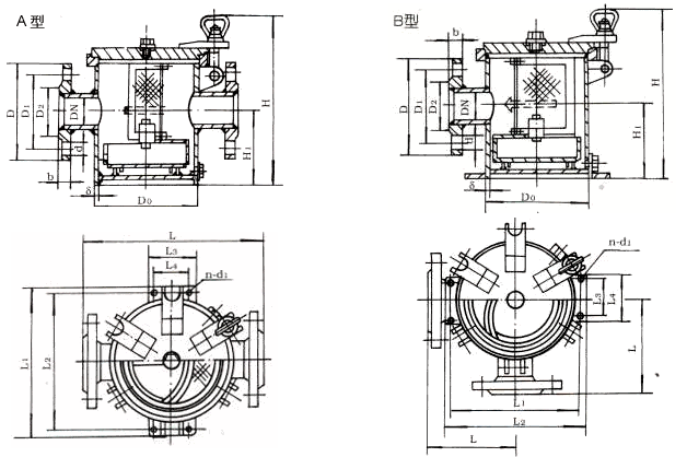
海水滤器和吸入粗水滤器广泛用于各类船舶的海水和淡水管路系统。
海水滤器执行标准CBM1061-81。吸入粗水滤器执行标准CB/T497-94.
●吸入粗水滤器技术参数
类型 Type | 工作压力 | 通径mm | 适用介质 | ||
A | 直通吸入滤器 straightway suction coarse strainer | 0.1 MPa | 40-500 | 海水、淡水 | |
B | 直角吸入滤器 right angle suction coarse strainer | 右式 BR.Right | 40-350 | ||
左式 BL.Left | |||||
●吸入粗水滤器结构图









